基本參數
| 所屬品牌 (Brand) |
TIMKEN(鐵姆肯)公司是全球領先的優質軸承、合金鋼及相 關部件和配件制造商。 |
|
| 軸承類型 (Series) |
軸承座單元 | |
| 軸承型號 (Bearing NO) |
軸承座型號 | G1104KPPB2 |
| 軸承座新型號 | T-40242 | |
| 軸承座舊型號 | T-30410 | |
| 鎖環 | S1104K | |
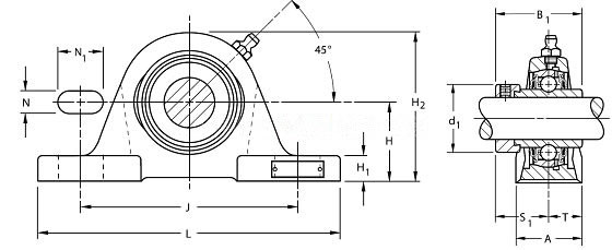
| 基本尺寸 (Basic parameters) |
d(mm) | - |
| B1 | 51.2 | |
| H | 47.62 | |
| H2 | 93.7 | |
| J | 130.2 | |
| L | 166.7 | |
| A | 45.2 | |
| H1 | 47.62 | |
| N | 14.3 | |
| N1 | 24.6 | |
| d1 | 54 | |
| S1 | 32.5 | |
| T/F/K | 22.7 | |
| 螺栓尺寸 | 12 | |
| 重量 (Mass) |
1.67 | |
| 詳細信息 (Detail) |
帶座軸承單元,雙重橡膠密封,G1104KPPB2軸承,軸承座型號T-40242 | |
推薦型號
軸承H2356X NACHI軸承7204CDT NSK NNU4960K XCB7007-C-T-P4S軸承 軸承52BIC240 INA軸承PAP180100P10 NACHI 480/472A 22222BK+AHX3122軸承 軸承BA108Z INA軸承XSU140414 NTN HMK5045ZWBD 52207軸承 軸承BR18 KOYO軸承6209BI NTN 5S-HSB920C 61902-2Z軸承 軸承NU2330 TIMKEN軸承1103KRS FAG AH24052H NK20/20軸承 軸承350XRN47 FAG軸承HCS7010E.T.P4S TIMKEN 1106KPPB2 PCCJ25軸承 軸承22218EAE4
軸承H2356X NACHI軸承7204CDT NSK NNU4960K XCB7007-C-T-P4S軸承 軸承52BIC240 INA軸承PAP180100P10 NACHI 480/472A 22222BK+AHX3122軸承 軸承BA108Z INA軸承XSU140414 NTN HMK5045ZWBD 52207軸承 軸承BR18 KOYO軸承6209BI NTN 5S-HSB920C 61902-2Z軸承 軸承NU2330 TIMKEN軸承1103KRS FAG AH24052H NK20/20軸承 軸承350XRN47 FAG軸承HCS7010E.T.P4S TIMKEN 1106KPPB2 PCCJ25軸承 軸承22218EAE4
軸承用途
噴涂機、六角車床、軍工、膠囊充填機、烘線機、疲勞試驗機、燃燒器配件、無級變速機、紡織配套電氣儀表設備、啟閉機、熱風爐、手動焊機、漁業機械、石墨換熱器、曝氣設備、吹膜機、地礦勘測、選礦設備、水洗機、海德堡印刷機、自動噴砂機、航空航天、包裝設備、混凝土攪拌機、試壓泵、玻璃磨邊機、吸盤、等離子切割機、轉子泵、冷卻塔、縫后設備、
噴涂機、六角車床、軍工、膠囊充填機、烘線機、疲勞試驗機、燃燒器配件、無級變速機、紡織配套電氣儀表設備、啟閉機、熱風爐、手動焊機、漁業機械、石墨換熱器、曝氣設備、吹膜機、地礦勘測、選礦設備、水洗機、海德堡印刷機、自動噴砂機、航空航天、包裝設備、混凝土攪拌機、試壓泵、玻璃磨邊機、吸盤、等離子切割機、轉子泵、冷卻塔、縫后設備、










