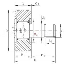
基本參數
| 所屬品牌 (Brand) |
日本NTN(恩梯恩 NTN Corporation NTN株式會社) | |
| 軸承類型 (Series) |
滾輪軸承 | |
| 軸承型號 (Bearing NO) |
軸承型號 | NUTR303X/3AS |
| 基本尺寸(mm) (Basic size) |
內徑 | 17 |
| 外徑 | 47 | |
| 厚度(高度) | 21 | |
| C | 20 | |
| 其他參數 (Other parameters) |
e | 22 |
| Fw | 21.5 | |
| 凈重kg | 0.222 | |
| 額定負荷(KN) (Basic load ratings) |
動態載荷 | 24100 |
| 靜態載荷 | 2450 | |
| 限制轉速 (Limiting Speeds(rpm)) |
油潤滑 (oil) |
無 |
| 參考轉速 (Reference speeds(rpm)) |
脂潤滑 (grease) |
4700 |
詳細信息 |
NUTR303X/3AS軸承,雙列圓柱滾子型,滾針滾輪軸承 | |
推薦型號
軸承KRVU80LL/3AS INA軸承GLE60KRRB SKF 59192 2915軸承 軸承NJ2311ET NTN軸承K81218J NACHI 53414U N1036-K-M1-SP軸承 軸承RNA4960 NACHI軸承23100/23256 FAG HCS7006C.T.P4S RNA4918軸承 軸承XCB709-E-T-P4S FAG軸承241/600B.MB KOYO 6302N SAR1-15軸承 軸承ZKLN1034.2RSPE INA軸承GE750DW NSK N413 562960M軸承 軸承HJ2232 FAG軸承1321M NACHI 231/800E NU426軸承 軸承385/383A
軸承KRVU80LL/3AS INA軸承GLE60KRRB SKF 59192 2915軸承 軸承NJ2311ET NTN軸承K81218J NACHI 53414U N1036-K-M1-SP軸承 軸承RNA4960 NACHI軸承23100/23256 FAG HCS7006C.T.P4S RNA4918軸承 軸承XCB709-E-T-P4S FAG軸承241/600B.MB KOYO 6302N SAR1-15軸承 軸承ZKLN1034.2RSPE INA軸承GE750DW NSK N413 562960M軸承 軸承HJ2232 FAG軸承1321M NACHI 231/800E NU426軸承 軸承385/383A
軸承用途
分級設備、織造機械、鑄造機床、水冷式冷凍機、橡膠定型機、收獲機械、塑料造粒機、壓燙機、織造機械、門式起重機、曬版機、壓塑機、立式干燥機、蝕刻機、工業爐、搖臂鉆床、電鍍冷凍機、裁斷機、種植機械、塑料板材設備、浮法玻璃生產線、臥式泵、塑料和橡膠工業、鉆機、等離子焊機、曲線導軌、盤式干燥機、熱壓機、施肥機械、拉床、
分級設備、織造機械、鑄造機床、水冷式冷凍機、橡膠定型機、收獲機械、塑料造粒機、壓燙機、織造機械、門式起重機、曬版機、壓塑機、立式干燥機、蝕刻機、工業爐、搖臂鉆床、電鍍冷凍機、裁斷機、種植機械、塑料板材設備、浮法玻璃生產線、臥式泵、塑料和橡膠工業、鉆機、等離子焊機、曲線導軌、盤式干燥機、熱壓機、施肥機械、拉床、







