基本參數
| 所屬品牌 (Brand) |
日本KOYO軸承 | |
| 軸承類型 (Series) |
自調心球軸承 | |
| 軸承型號 (Bearing NO) |
1206K軸承 | |
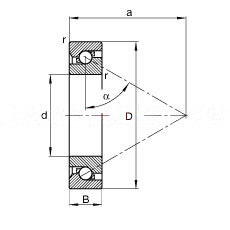
| 基本尺寸 (Basic size) 單位:mm(毫米) |
內徑(d) | 30 |
| 外徑(D) | 62 | |
| 厚度(B) | 16 | |
| 額定負荷 (Basic load ratings) 單位:N(牛) |
基本額定動載荷,徑向(Cr) | 15.6 |
| 基本額定靜載荷,徑向(Cor) | 4.65 | |
| 轉速 (Limiting Speeds) 單位:N(1/min) |
脂潤滑時的速度(oil) | 9900 |
| 油潤滑時的速度(oil) | 12000 | |
| 重量(Mass) | 0.216 kg | |
詳細信息(Detail) |
自調心球軸承,1:47錐孔 | |
推薦型號
軸承30218A INA軸承10J03 INA K58X65X36ZW 6006LLU軸承 軸承3211-2RS NTN軸承4T-3872/3820 NSK 54413U N219EC軸承 軸承24088RK30 NSK軸承23272CAKE4 KOYO 7211DB G45×52×4軸承 軸承20BTM2612 NTN軸承PCJ404624 FAG 51210 23184K.MB軸承 軸承HK3020 TIMKEN軸承23196YMB TIMKEN 1380/1328 6315/VA201軸承 軸承RNA4860 NTN軸承NU240 KOYO TVK2540J 6212-Z軸承 軸承54406U
軸承30218A INA軸承10J03 INA K58X65X36ZW 6006LLU軸承 軸承3211-2RS NTN軸承4T-3872/3820 NSK 54413U N219EC軸承 軸承24088RK30 NSK軸承23272CAKE4 KOYO 7211DB G45×52×4軸承 軸承20BTM2612 NTN軸承PCJ404624 FAG 51210 23184K.MB軸承 軸承HK3020 TIMKEN軸承23196YMB TIMKEN 1380/1328 6315/VA201軸承 軸承RNA4860 NTN軸承NU240 KOYO TVK2540J 6212-Z軸承 軸承54406U
軸承用途
分度盤、分度頭、上光機、爆破設備、化工泵、圓錐齒輪減速機、制劑機械、牽引、矯正設備、發泡設備、空氣凈化設備、切斷設備、化工設備、模溫機、開式反應釜、污水處理設備、獸用器械、臥式橡膠機械、棉麻毛初加工設備、曲線導軌、食品混合設備、折頁機、滾齒機、汽車消聲器、振動試驗機、混流泵、道路交通、噴霧式冷卻塔、手術專用設備、注塑機、壓平機、農業機械、
分度盤、分度頭、上光機、爆破設備、化工泵、圓錐齒輪減速機、制劑機械、牽引、矯正設備、發泡設備、空氣凈化設備、切斷設備、化工設備、模溫機、開式反應釜、污水處理設備、獸用器械、臥式橡膠機械、棉麻毛初加工設備、曲線導軌、食品混合設備、折頁機、滾齒機、汽車消聲器、振動試驗機、混流泵、道路交通、噴霧式冷卻塔、手術專用設備、注塑機、壓平機、農業機械、
















